|
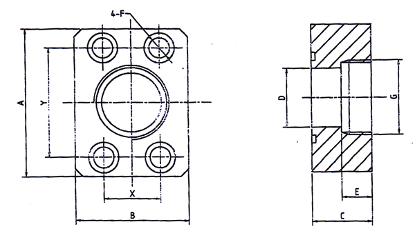
管螺紋連接法蘭
|
|
|
|
D
|
ф12.5
|
ф20
|
ф25
|
ф30
|
ф38
|
ф50
|
ф64
|
|
G
|
G1/2"
|
G3/4"
|
G 1"
|
G 1 1/4"
|
G 1 1/2"
|
G 2"
|
G 2 1/2"
|
|
A
|
54
|
65
|
70
|
80
|
94
|
110
|
115
|
|
B
|
46
|
54
|
58
|
68
|
72
|
80
|
100
|
|
X
|
17.5
|
22
|
26
|
30
|
36
|
43
|
51
|
|
Y
|
38
|
48
|
52
|
59
|
70
|
78
|
89
|
|
C
|
25
|
28
|
32
|
36
|
38
|
47
|
50
|
|
E
|
16
|
18
|
20
|
22
|
24
|
26
|
30
|
|
F
|
ф9
|
ф11
|
ф11
|
ф11
|
ф13
|
ф13
|
ф13
|
0型圈
0-ring
(GB3452.1)
|
20X2.65
|
28X3.55
|
31.5X3.55
|
40X3.55
|
47.5X3.55
|
58X3.55
|
71X3.55
|
螺栓Bolt
(GB70-85)
|
M8X25
|
M10X30
|
M10X35
|
M10X40
|
M12X40
|
M12X50
|
M12X50
|
|